首页
产品中心
项目案例
新闻中心
关于我们
联系我们
首页
产品中心
安全三保
管材系列
节能类
燃烧类
试验箱
土工布类检测设备
项目案例
新闻中心
公司动态
行业动态
关于我们
公司介绍
企业荣誉
技术认证
发展历程
联系我们
13625755880
安全三保
管材系列
节能类
燃烧类
试验箱
土工布类检测设备
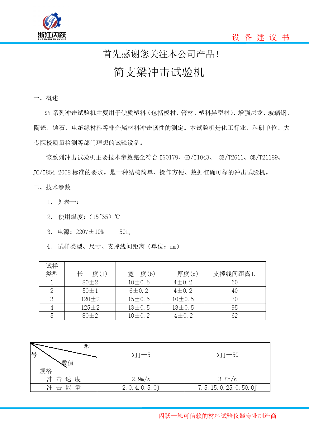
简支梁冲击试验机SY-50
发布日期:2021-10-29
上一篇:
管材耐压爆破试验机
下一篇:
热变形维卡软化点测试仪
【返回列表】
在线咨询
微信
13625755880
TOP